Как продлить жизнь старому холодильнику

  • Опубликовано: 2 января 2009

Как продлить жизнь старому холодильнику

 

Как продлить жизнь старому холодильнику.
Часто возникает такая ситуация: купили новый холодильник, а старый выбрасывать жалко, да и место для него пока есть.
Или такой вариант: на даче нужен холодильник – это понятно всем. Новый агрегат покупать дорого, да и не безопасно – могут украсть. А вот старый и надежный "Саратов”, "Смоленск” или другой подобный придется "ко двору” как нельзя лучше!
Единственный недостаток старых холодильников состоит в том, что они работают в непрерывном режиме, без выключения компрессора. За несколько дней морозильная камера покрывается таким большим слоем инея, и холодильник приходится часто размораживать.

 

Внешний вид собранного термореле NM4022


Рисунок 1. Внешний вид собранного термореле NM4022.

Работу старого домашнего помощника можно усовершенствовать. Нужно доработать его электронную часть и поставить термореле. Покупать новое термореле дорого. Да и не всегда оно подойдет по техническим характеристикам к старым холодильникам. Собрать устройство-автомат своими силами можно, но найти проверенную электрическую схему и нужные радиодетали - не так уж просто. Па помощь пришел сосед - он порекомендовал купить набор для самостоятельной сборки термореле - стоит он не дорого, его схема проверена временем, в комплект набора входят все радиодетали, заводская печатная плата и подробная инструкция по сборке и настройке. С паяльником я был "на ты”, по этому решение по покупке набора принял быстро.

Три дня назад я купил набор МАСТЕР КИТ NM4022 , т.к. нужно было срочно доработать старый холодильник - не работало автоматическое включение-выключение компрессора, а может быть автоматики в этом холодильнике его не было вообще. Кажется, я не прогадал!
Вид собранного устройства приведен на рис. 1. Его схема - на рис. 2. А перечень элементов указан в таблице.

 

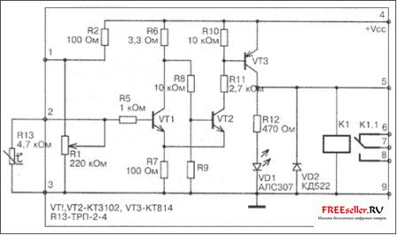
Электрическая принципиальная схема термореле.
 
Рисунок 2. Электрическая принципиальная схема термореле. Номинал R9 составляет 10 кОм, номинал R3 составляет 3,3 кОм, на схеме ошибочно указано 3,3 Ом.

В устройстве применена универсальная печатная плата для сборки нескольких устройств, по-этому не удивляйтесь, что некоторые элементы в схеме не используются. Все правильно!
Собрал устройство за один час. Настроил его за несколько минут. В работе с термореле проблем не возникло. К контактам платы термореле 7 и 8 подключил в разрыв провод питания холодильника от сети 220 В.
Установил термореле в холодильник (рис. 3 - рис.4)

 

Установка термореле в холодильнике

Рисунок 3. Установка термореле в холодильнике.

 

стабилизированный источник питания по типовой схеме термореле

Рисунок 4. Для питания термореле я собрал стабилизированный источник питания по типовой схеме.

 

Термореле для холодильника готово к работе

Рисунок 5. Термореле готово к работе.


 И заработает холодильник как новый.....

 

И заработает холодильник как новый

Рисунок 6. Внешний вид старого холодильника с установленным термореле.
  

Амир Залялютдинов, Санкт-Петербург, Сам 2004 11


Как продлить жизнь старому холодильнику

remont63

Автор работы
Категория: Домашний мастер

5

комментариев

39 701

просмотр

Похожие самоделки

Комментариев 5
  1. Влажность не скажется отрицательно на устройстве в целом и на радиоэлементах по отдельности? Появление влаги b иния на проводах изолированных не страшна особо, а вот схема порой очень близко расположить фазу и нуль.
    В конце концов КЗ в холодильнике, да при 220В и на даче, когда рядом никого нет, имхо, не безопасно!
    Предложу вынести блок наружу. Сам датчик можно оставить в камере холодильника, но датчик же тоже под напряжением 220В, верно? Так что лучше, установить датчик вне камеры\снаружи, вблизи остужающего элемента, или отвести проволоку кусок металла изнутри камеры наружу к устройству, как это делали в более современных холодильниках.
    +1
  2. Не проще ли было поменять термостат? Если менять самому то цена вопроса не более 300-400 руб.
    +1
  3. Гость
    а чем этот способ Вас не устроил? купил мастер кит набор, спаял и вставил. Да и паять даже не надо блок уже готовый можно купить.

    Можно конечно купить и термостат в том числе новый электронный например и поставить.
    +1
  4. Какое сопротивление на резисторе R9
    +1
  5. Цитата: егор
    Какое сопротивление на резисторе R9


    Номинал R9 - 10 кОм,также прошу обраьтить внимание что номинал резистора R6: должно быть 3,3 кОм.. на схеме указано 3,3 Ом
    +1
Имя:*
E-Mail:


Песочница RSSРеклама на сайтеFreeseller.ru - Полезные самоделки
Copyright © 2008-2025