Схема Автомобильного пейджера - БИПЕР

  • Опубликовано: 20 декабря 2009


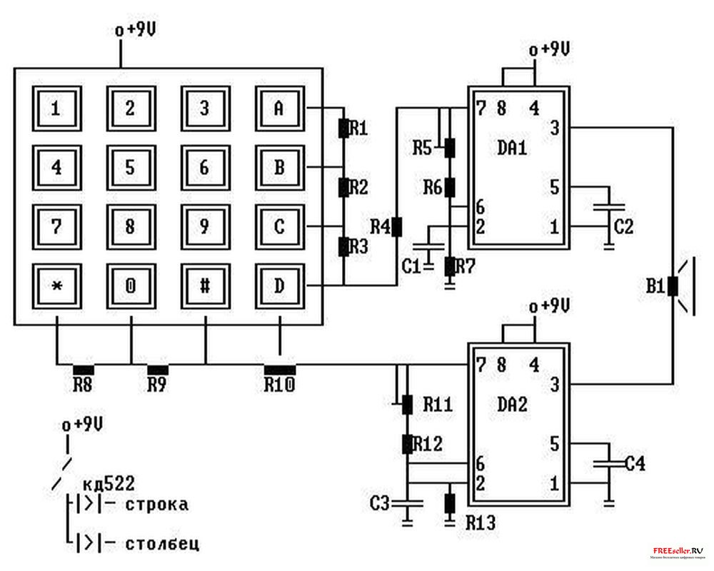
Схема радиоохранного устройства.

DA1, DA2 - 1006ви1 R1,R4 - 4.3k R2,R10 - 3.9k R3 - 3.3k R5 - 10k R6 - 10k R7,R13 - 100k R8 - 2.4k R9 - 2.2k R11 - 4.7k R12 - 4.7k C1,C3 - 0.47 C2,C4 - 0.01 В1 - высокоомный громкоговоритель (50-100 Ом).

 

 

Клавиатура содержит собственно кнопки и по два диода на кнопку, как указано под схемой. Исходная схема не содержала буквенного столбца, поэтому резистор R10 разбит на два; столбцовый генератор настраивается вначале по цифровым клавишам, потом резистором R10 буквы.

 

 

 

Внимание!!! Внимание, информация содержащаяся на данной странице, может быть устаревшей и содержать ошибки. Поэтому приводиться исключительно в ознакомительных целях.

Похожие самоделки

Имя:*
E-Mail:


Песочница RSSРеклама на сайтеFreeseller.ru - Полезные самоделки
Copyright © 2008-2025