Как изготовить светодиодную лампочку своими руками. Схема и инструкция по изготовлению.
Сейчас светодиодные лампочки продаются в большом количестве. Цена становится все доступней. Но ничто так не приятно эксплуатировать, как изделие сделанное своими руками. Самая простая схема, это схема с гасящим конденсатором.
И так.
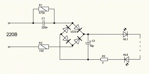
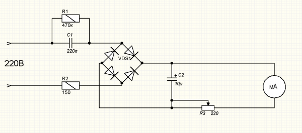
Конденсатор С1 является ограничителем тока, R1 необходим для разрядки конденсатора. Резистор R2 выполняет защитную роль, ограничивая ток в схеме во время заряда конденсатора. На диодах собран выпрямитель. Конденсатор С2 сглаживает пульсации. Резистор R3 с сопротивлением 0 ом.
В таблице привел некоторые параметры конденсатора. Конденсатор нужен на напряжение не менее 450 вольт.
Токи получил при распаянной схеме и миллиамперметром. Резистор R3 гасит излишки тока. В схеме не применял, так как тока оказалось достаточно.
Можно конечно и посчитать по формуле:

Или по упрощенной формуле: 
Светодиоды я применил размера 5630. Стоят в Китай копейки.
Макет печатной платы набросал в программе sprint layout.

Плату изготавливал по методу ЛУТ.
Травим плату, сверлим отверстия и лудим.
Диоды выпрямителя выпаял из старой экономки. Фильтрующий конденсатор нужен на напряжение не менее 50 вольт, а лучше на вольт 300. В случае обрыва линейки светодиодов, на нем будет большое напряжение. Светодиоды паял обычным паяльником.
Аккуратно вмещаем в корпус. У меня оказался мал, пришлось все компактно устанавливать, и результат был достигнут.
Включаем через предохранитель и потом меряем ток. У меня получилось 34мА. Т.е. потребление лампы около 7.45 ватт.
По свету, думаю больше 3 ватт точно.
Весть процесс, как всегда, отображен на видео