Установка электропривода замка багажника на ВАЗ 2114

  • Опубликовано: 14 августа 2014

Установка электропривод замка багажника на ВАЗ 2114 своими руками.


Установка электропривод замка багажника на ВАЗ 2114 своими руками. Как установить электропривод замка багажника на Лада Самару Ваз 2114 своими руками.


Знакомая для многих автолюбителей ситуация: сел в машину, пустил двигатель, и возникла необходимость открыть багажник, что бы положить или взять что либо, возникает довольно часто. Приходится глушить двигатель, вынимать ключ из замка, выходить из машины, и отпирать багажник. Все это занимает хоть и не много, но все таки достаточно времени, особенно когда торопишься с выездом. Кроме того у меня бывали случаи когда я после открытия багажника забывал его запереть и замечал это спустя несколько дней.


При этом злоумышленники могли бы легко проникнуть в салон авто при оставлении на стоянке. Вот и решил установить кнопку для отпирания багажника от электропривода.


Подобные системы есть у многих современных авто, она значительно облегчает пользование багажником.


Можно открыть багажник, скажем в гараже, при оставлении ключей дома, замок будет всегда находиться в положении "закрыто", поэтому не придется волноваться "Запер ли я замок багажника?".


При оставлении авто на стоянке, ключ от багажника и вовсе можно не носить с собой (связка ключей станет легче), ЛКП вокруг скважины замка будет меньше царапаться при открывании. Положительных моментов можно найти много.


Для решения этой задачи мне понадобились следующие элементы:

  1. электропривод - соленоид багажника 12В - 1шт. (350 руб.);
  2. кнопка багажника - 1шт.(50 руб.);
  3. 4-контактное реле 904.3747-10 - 1шт. (50 руб.);
  4. оболочка для троса около 25 см.;
  5. провода сечения 1-1,5 кв. мм около 6-7 м.

Установка электропривода своими руками

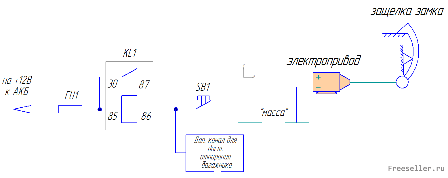
Собрал систему по приведенной ниже релейно-контактной схеме.

Схема для установки электропривода замка багажника Ваз 2114

Надо сказать несколько слов об особенностях монтажа. Бросок тока при подаче питания на привод составляет около 15 А, поэтому запитать реле целесообразно через предохранитель порядка 20А. Кнопку багажника установил в штатное отверстие под розетку для переноски. Место весьма удачное, поскольку не нужно тянуться далеко в салон, как при отпирания в положении сидя на водительском сидении, так и при положении стоя "за бортом".

 

Установка электропривода замка багажника Ваз 2114


Реле установил в непосредственной близости от кнопки под приборной панелью на внутренней стороне левого крыла автомобиля. Сделать удачно фото, к сожалению не получилось. Но получить представление о месте установки можно.

 

Установка электропривода замка багажника Ваз 2114


Провод от реле к электроприводу протянул под ковровым покрытием дверных порогов. Затем через стойку заднего левого крыла, пропустил через резиновую гофру при помощи жесткой "проволоки-проходчика", затем через внутреннюю полость двери задка к нише под спойлером.

 

Установка электропривода замка багажника Ваз 2114


У раздобытого мою электропривода крепление осуществлялось на "лапках", поэтому пришлось сделать кронштейн из полосы оцинковки не сложной конструкции (на фото видна лишь одна из трех ее плоскостей). Трос привода продел через оболочку и прицепил за ушко защелки замка, изменив при этом направление действия силы на угол близкий к 90 град (для этого и нужна оболочка!).


Свободный конец оболочки необходимо жестко зафиксировать, для этого был сделан уголок-кронштейн с отверстиями для крепления к моторедуктору стеклоочистителя и одним отверстием для крепления свободного конца оболочки. Надо сказать, что фиксация привода на кузов должна выполняться в последнюю очередь, с максимальным удалением последнего от защелки замка с учетом рабочего хода штока привода. У меня заработало все с первого нажатия без заеданий и прочих проблем... Окончательный результат выглядит так:

 

Установка электропривода замка багажника Ваз 2114


Под правую гайку крепления защелки замка накинул петлю и получил ручку для закрытия багажника.

 

Установка электропривода замка багажника Ваз 2114 своими руками

Вещь весьма не обязательная, но удобная. Параллельно кнопке подключил дополнительный канал сигнализации для управления дистанционным отпиранием багажника, что сделало систему более совершенной и позволило отпирать багажник через брелок не снимая авто с охраны... Последнее улучшает эксплуатационные качества системы сигнализации. Положительных моментов от подобной самоделки

думаю не мало...

Цена вопроса: около 450-500 руб.


Спасибо за снимание!



0

комментариев

39 897

просмотров

Похожие самоделки

Имя:*
E-Mail:


Песочница RSSРеклама на сайтеFreeseller.ru - Полезные самоделки
Copyright © 2008-2025